728x90
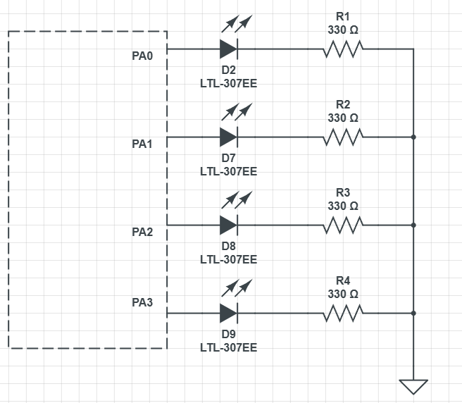
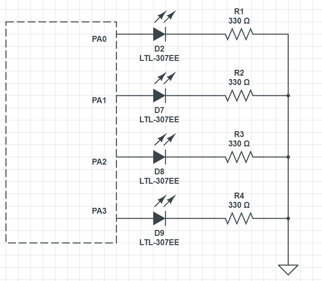
LED 4개를 연결하고
원하는 포트 두개에만 출력을 하여
4개 중 2개만 LED를 점등해보자
코드
#include <avr/io.h>
main()
{
DDRA = 0b00001001;
PORTA = 0b00001001;
}
회로도

실제 구현 모습

'하드웨어 > atmega128' 카테고리의 다른 글
| atmega128 - FND 확인 테스트 #4 (1) | 2025.03.07 |
|---|---|
| atmega128 - LED 순서 제어 #3 (0) | 2025.03.03 |
| atmega128 - LED 켜기 #1 (0) | 2025.03.02 |
| atmega128 - atmel studio 설치 (0) | 2025.03.02 |
| atmega128 - atmega128 시작 및 led제어회로 실습 (1) | 2024.11.13 |